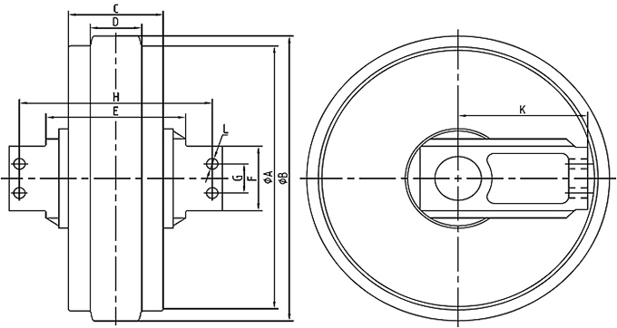
挖掘機引導輪參數
| 圖號 \ 項目 | A | B | C | D | E | F | G | H | K | L | 適用噸位 | |
|---|---|---|---|---|---|---|---|---|---|---|---|---|
| 8101-GH-A4000 | 303 | 343 | 80 | 30 | 99 | 80 | 54 | 131 | 190 | 4-M12 | 3.5T | |
| 8101-GH-B4000 | 303 | 343 | 80 | 30 | 96 | 80 | 54 | 128 | 190 | 4-M12 | 3.5T | |
| 8101-GH-C4000 | 303 | 343 | 80 | 30 | 99 | 80 | 54 | 131 | 190 | 4-M12 | 3.5T | |
| 8101-GK-A4000 | 299 | 333 | 88 | 38 | 112 | 85.65 | 60 | 136 | 170 | 4-M10 | ||
| 8135-GA-A4000 | 335 | 367 | 84 | 39 | 117 | 60 | 35 | 112 | 205 | 4-M12 | ||
| 8135-GB-A4000 | 362 | 392 | 106 | 47 | 162 | 80 | 50 | 179 | 200 | 4-M12 | 5.5T | |
| 8135-GB-B4000 | 362 | 392 | 106 | 47 | 162 | 80 | 50 | 179 | 200 | 4-M12 | ||
| 8135-GC-A4000 | 350 | 395 | 100 | 38 | 106 | 70 | 262 | 4-M12 | ||||
| 8135-GK-A4000 | 330 | 374 | 93 | 52 | 60 | 104 | 4-M12 | |||||
| 8135-GL-A4000 | 363 | 411 | 106 | 52 | 167.6 | 81 | 50 | 145 | 200 | 4-M12 | ||
| 8135-GL-B4000 | 355 | 384 | 106 | 47 | 162 | 80 | 50 | 179 | 200 | 4-M12 | ||
| 8135-GM-C4000 | 340 | 380 | 100 | 50 | 245 | |||||||
| 8135-GM-C4000A | 340 | 380 | 100 | 50 | 245 | |||||||
| 8135-MD-A4000 | 360 | 386 | 98 | 45.6 | 158 | 88 | 50 | 180 | 193 | 4-M12 | 6T | |
| 8135-MD-C4000 | 355 | 384 | 106 | 47 | 167.6 | 81 | 50 | 179 | 200 | 4-M12 | ||
| 8135-MD-D4000 | 360 | 386 | 98 | 45.6 | 158 | 88 | ||||||
| 8140-GB-A4000 | 380 | 410 | 112 | 51 | 158 | 60 | 205 | 170 | 2-M16 | 8.5T | ||
| 8140-GB-B4000 | 380 | 410 | 112 | 51 | 158 | 60 | 205 | 170 | 2-M16 | |||
| 8140-GB-C4000 | 380 | 410 | 112 | 51 | 160 | 60 | 200 | 170 | 2-M14 | 8.5T | ||
| 8140-GB-D4000 | 415 | 445 | 112 | 51 | 191.5 | 77 | 50 | 225 | 92 | 4-M14 | 8.5T | |
| 8154-MB-A4000 | 425 | 455 | 110 | 52 | 160 | 60 | 205 | 190 | 2-M16 | 8.5T | ||
| 8154-MB-B4000 | 425 | 455 | 110 | 52 | 160 | 60 | 205 | 190 | 2-M16 | 8.5T | ||
| 8154-MB-C4000 | 415 | 445 | 112 | 51 | 160 | 60 | 205 | 190 | 2-M16 | |||
| 8154-MB-D4000 | 390 | 444 | 98 | 38 | 60 | 124 | 252 | 4-M14 | ||||
| 8154-MB-D4000A | 390 | 444 | 98 | 38 | 60 | 124 | 252 | 4-M14 | ||||
| 8154-MC-A4000 | 390 | 424 | 100 | 43 | 190 | 77 | 50 | 225 | 80 | 4-M14 | 7T | |
| 8154-MC-C4000 | 415 | 460 | 100 | 43 | 156 | 73 | 40 | 200 | 242 | 4-M14 | 6T | |
| 8154-MK-A4000 | 375 | 420 | 100 | 43 | 155.5 | 88 | 40 | 199.5 | 252 | 4-M14 | ||
| 8154-ML-A4000 | 366 | 420 | 106 | 43 | 167 | 91 | 60 | 178 | 213 | 4-M12 | 9T | |
| 8155-MB-B4000 | 436 | 494 | 125 | 56 | 126 | 90 | 260 | |||||
| 8160-GA-A4000 | 490 | 524 | 126 | 61 | 176 | 89 | 52 | 260 | 210 | 4-M16 | ||
| 8171-GF-A4000 | 507 | 547 | 138 | 69.5 | 190 | 100 | 210 | 175 | 2-M16 | 13.5T | ||
| 8171-GF-B4000 | 489 | 527 | 138 | 65.8 | ||||||||
| 8171-GF-C4000 | 452 | 492 | 138 | 69.5 | 190 | 100 | 210 | 150 | 2-M16 | |||
| 8171-GF-D4000 | 507 | 550 | 135 | 70 | 230 | 90 | 60 | 280 | 290 | 4-M16 | 20T | |
| 8171-MN-A4000 | 446 | 480 | 140 | 68 | 50 | 230 | 245 | 4-M14 | ||||
| 8175-MG-A4000 | 489 | 527 | 115 | 52 | 183 | 82 | 44 | 227 | 301.5 | 4-M14 | 12T/ 13T | |
| 8190-MK-A4000 | 500 | 538 | 159 | 84 | 236.5 | 108 | 64 | 287 | 80 | 4-M16 | 20T | |
| 8190-MK-B4000 | 506 | 545 | 159 | 84 | 200 | 115 | 60 | 265 | 301 | 4-M16 | ||
| 8190-MH-C4000 | 500 | 538 | 159 | 84 | 247.4 | 105 | 66 | 280 | 196 | 4-M16 | 20T/ 22T | |
| 8190-MO-A4000 | 500 | 538 | 159 | 84 | 236.5 | 108 | 64 | 287 | 110 | 4-M16 | ||
| 8190-MO-B4000 | 500 | 538 | 159 | 84 | 236.5 | 108 | 66 | 280 | 196 | 4-M16 | ||
| 8190-MV-A4000 | 500 | 540 | 170 | 83 | 260 | 105 | 65 | 300 | 330 | 4-M16 | 21T/ 24T | |
| 8203-MG-A4000 | 678 | 718 | 189 | 95 | ||||||||
| 8203-MP-B4000 | 590 | 635 | 190 | 102 | 261 | 120 | 60 | 360 | 250 | 4-M20 | 33T | |
| 8203-MV-A4000 | 531 | 580 | 192 | 100 | 290 | 110 | 65 | 360 | 290 | 4-M16 | 29T | |
| 8216-MA-C4000 | 590 | 630 | 190 | 102 | 235 | 122 | 60 | 290 | 354 | 4-M20 | 30T | |
| 8216-ME-A4000 | 660 | 704 | 202 | 106 | 297 | 145 | 66 | 410 | 275 | 4-M24 | ||
| 8216-ME-B4000 | 660 | 704 | 202 | 106 | 297 | 145 | 66 | 410 | 275 | 4-M24 | ||
| 8216-ME-D4000 | 590 | 640 | 203 | 102 | 260 | 130 | 65 | 360 | 290 | 4-M16 | 40T | |
| 8216-ME-E4000 | 640 | 684 | 202 | 105 | 297 | 145 | 66 | 410 | 275 | 4-M24 | ||
| 8216-ME-F4000 | 640 | 684 | 202 | 105 | 297 | 145 | 60 | 360 | 275 | 4-M20 | ||
| 8216-ME-G4000 | 590 | 640 | 203 | 102 | 260 | 130 | 60 | 360 | 290 | 4-M20 | ||
| 8216-MF-B4000 | 636 | 682 | 203 | 102 | 267 | 135 | 60 | 350 | 370 | 4-M20 | ||
| 8216-MR-A4000 | 590 | 640 | 203 | 102 | 260 | 130 | 65 | 360 | 290 | 4-M16 | ||
| 8228-MD-A4000 | 716 | 761 | 234 | 122 | 324 | 161 | 90 | 400 | 245 | 4-M24 | ||
| 8228-MD-B4000 | 800 | 845 | 234 | 122 | 324 | 161 | 90 | 400 | 290 | 4-M24 | ||
| 8228-ME-C4000 | 600 | 704 | 202 | 106 | 297 | 145 | 66 | 410 | 275 | 4-M24 | 40T | |
| 8228-ME-D4000 | 660 | 704 | 202 | 105 | 297 | 145 | 70 | 360 | 300 | 4-M20 | ||
| 8260-MC-A4000 | 830 | 880 | 270 | 127 | 342 | 180.6 | 90 | 400 | 425 | 4-M20 | 80T | |
| 8260-MC-B4000 | 730 | 780 | 270 | 127 | 342 | 180.6 | 90 | 400 | 425 | 4-M24 | ||
| 2306-190-04000 | 520 | 560 | 160 | 84 | 247 | 105 | 65 | 280 | 290 | 4-M16 | 23T | |
| 3306-203-04000 | 605 | 655 | 158 | 82 | 260 | 105 | 65 | 305 | 331.5 | 4-M16 | 33T | |
| CLT512-155MB-04000 | 350 | 380 | 120 | 55 | 180 | 90 | 55 | 240 | 120 | |||
| T.2.2-00000 | 305 | 335 | 120 | 55 | 170 | 57.5 | 36 | 56.5 | ||||
挖掘機引導輪結構圖紙

咨詢:挖掘機引導輪